Осевой приводной цанговый блок CW-BMT65-DA65-32, внутр. и внеш. охл

Под заказ
Бренд
siz-instrument.ru
Назначение BMT
BMT65
Охлаждение
Внешнее Внутреннее
Позиционирование
Аксиальный (осевой)
Размер лапки (W)
10x27 (BMT65)

138060,00 

Доступно для предзаказа

Для цанг ER32/ERS32 по стандарту DIN 6499. Зажим в диапазоне от 2 до 20 мм. Передаточное число – 1:1. Обеспечено внутреннее и внешнее охлаждение.

Приводной фрезерный блок BMT предназначен для использования с цангами и подходит для наружной токарной обработки. Обычно он совместим с ЧПУ-станками таких марок, как Spinner, Victor, Jyoti, DOOSAN, Hardinge, Hwacheon, Hyundai WIA и Samsung (SMEC).

Инструмент с приводом BMT имеет угол 0° и один цанговый патрон, а также внутреннюю и внешнюю подачу охлаждающей жидкости. Цанги соответствуют стандарту DIN 6499. Максимальные обороты достигают 5500 об/мин (RPM), передаточное отношение составляет 1:1. Высокое качество приводных блоков гарантируется благодаря использованию современных и высокоточных станков в процессе их производства.

Корпус приводного инструмента выполнен из цельного стального блока. Эта моноблочная конструкция исключает возникновение вибраций и структурных дефектов, характерных для сварных или скрученных корпусов. После сборки каждый экземпляр приводного инструмента проходит тщательное тестирование для подтверждения точности рабочих характеристик.

В комплект входят: 2 ключа (ER32, E 42 мм), 4 винта M12*1.75 и 1 трубка для подачи СОЖ.


Осевой приводной цанговый блок CW-BMT65-DA65-32, внутр. и внеш. охл купить в Екатеринбурге по цене 138060,00  с доставкой в течении 30 дней по всей России в интернет-магазине компании SIZ-INSTRUMENT.

Технические характеристики:

Бренд

siz-instrument.ru

Назначение BMT

BMT65

Охлаждение

Внешнее Внутреннее

Позиционирование

Аксиальный (осевой)

Размер лапки (W)

10×27 (BMT65)

Тип держателя

Приводной

Цанги

ER32, ER32S

Серия блока

CW-BMT-DA

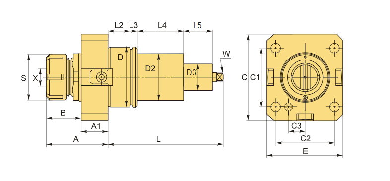
C

108 мм

C1

70 мм

C2

73 мм

C3

18 мм

Посадка инструмента

ER32/ER32S

X

2-20 мм

D

65 мм

D2

45 мм

D3

29 мм

d

27 мм

A

70 мм

А1

36 мм

B

33 мм

E

98 мм

L

112 мм

L2

10 мм

L3

22 мм

L4

28 мм

L5

35 мм

S

50 мм

Вес

4.500 кг

Отзывы

Отзывов пока нет.

Добавить отзыв

Доставка осуществляется транспортной компанией Деловые линии (больше 30кг) до терминала Вашего города бесплатно.

При заказе до 30кг – доставка осуществляется СДЭК до пункта выдачи Вашего города бесплатно.

Оплата

Оплата осуществляется по счету для юр. лиц и по карте для физ. лиц.

Нет в наличии
6200,00 
Нет в наличии
Нет в наличии
16000,00 
Нет в наличии
Нет в наличии
800,00 
Нет в наличии
Нет в наличии
160000,00 
Нет в наличии
Оставить заявку
Остались вопросы, или нужна помощь в подборе?
Оставьте свои контактные данные, наши менеджеры свяжутся с Вами и помогут в решении Вашей задачи.

    Согласен с политикой конфиденциальности

      Заказать обратный звонок
      Я согласен с обработкой персональных данных

        Заявка на консультацию
        Я согласен с обработкой персональных данных

          Узнать стоимость
          Я согласен с обработкой персональных данных
          Выбор города